超薄切片技術在高分子材料領域的應用技巧
發布時間:2019-02-27 13:54:58
????超薄切片技術是高分子材料領域電鏡制樣的一個標準技術手段,但是只有掌握其應用技巧,才能獲得最佳結果。
聚合物樣品OsO4染色法
四氧化鋨OsO4 是最常用的染色劑,通常使用鋨蒸汽或者2%的溶液。有些特定樣品需要跟酰肼,氯磺酸等同時使用,并且使用OsO4 作后染色。有些樣品使用四氧化釕RuO4進行染色會獲得更好的結果,并且更加簡單方便,節省時間。
Polymer Microscopy 這本書的4.4.2節有四氧化鋨染色方法的詳細綜述。
超薄切片之前進行塊染比超薄切片后染色效果更好。
OsO4染色步驟
通常有兩種染色方法:
一,2% OsO4 溶液60°C染色數小時
二,利用OsO4 固體結晶釋放鋨蒸汽,在常溫(25°C)熏染數小時
首先在體式鏡下對樣品進行修塊,然后把樣品塊放進一個特制的染色容器內,通常是一個干燥器(根據G.Owen & D. Vesely的描述,詳見Proceedings of the Royal Microscopical Society , Nov-85)。容器內放置一枚打開的含有OsO4 結晶的安瓿瓶,整個容器放置在通風櫥內室溫(25°C)染色過夜。染色完畢后,樣品用水沖洗至少1小時,干燥后切片。樣品需放置在通風櫥內,因為樣品依然含有OsO4 (0.2 ug/kg)。

片染

塊染
一個簡易的替代方法是,打破一個含有餓酸晶體的安瓿瓶,把它同樣品一起放在培養皿里,蓋上蓋子后放在干燥器里面,取出干燥器里面的硅膠,加入一定量的1M NaHSO3溶液。整個干燥器放在通風櫥里染色過夜,一般染色16小時左右會獲得比較理想的結果。
如果沒有餓酸晶體,只有2%的餓酸溶液,染色方法如下:把樣品塊用雙面膠粘在一個10 ml 的玻璃小瓶上部,加入2% 的餓酸溶液,蓋上蓋子,放在干燥器里,取出干燥器里面的硅膠,加入一定量的1M NaHSO3溶液,整個干燥器放在通風櫥里染色過夜。(注意:使用溶液會非常臟,所有東西都會被沾上有毒的餓酸)
注:
一定要在通風櫥內工作。
一定要戴一次性手套。
一定要避免吸入鋨蒸汽,一旦聞到味道了,就已經吸入了有毒氣體。
一定要放在干燥器里進行染色,干燥器里加入1M NaHSO3可以吸收掉鋨蒸汽。
一定要將染好的樣品依舊放在通風櫥內,只在切片的時候拿出來。
上述列表并不完全,并且常溫切片和低溫冷凍切片只是為了做一個區分,最終方法的選擇還是取決于材料的軟硬程度。
OsO4染色后再進行RuO4后染色
1、超薄切片后染色:
很多材料僅僅使用OsO4染色是不夠的,還需要在超薄切片后進行RuO4熏蒸染色,以便獲得更好的結構,定位各種不同的組分。超薄切片后染色需要數秒鐘到15-30分鐘不等,這取決于材料的特性。通常先獲得幾張切片,然后做一個染色時間的梯度,以便得到最適染色時長,這比用一直重復染一張切片來的容易。
切記,使用碳支持膜或者無膜的銅網,不要使用Formvar膜銅網,Formvar膜本身會被染色。
2、塊染:
如果需要進行塊染,方法見RuO4染色法。餓酸染色之后RuO4塊染的方法,是針對具有“半結晶相”結構的材料(polyethylene, polypropylene,EPR-rubber, EPDM-rubber, Nylon,polymethylpentene etc.)的一種方法,這樣可以顯示半結晶結構和定位不同的相。
聚合物OsO4染色法參考文獻:(文章1實際上是后面所有文章的基礎,只是不同樣品選用了不同參數而已)
1) Osmium tetraoxide fixation of rubber latices. Kato, K. Polymer Letters 4, 35-38 (1966).
2) Elektronenmikroskopie an kunststoffen am beispiel des poly?thylens. Kanig, G.Kunststoffe, Bd. 64, 470-474 (1974)
3) Further electron microscope observations on polyethylene I. Granule structure of the melt as an artifact. Kanig, G.Colloid & Polymer Sci. 265, 855-859 (1987).
4) The chemistry of Osmium tetraoxide fixation. Behrman, E. J.Science of Biological Specimen Preparation (1-5).
5) The role of sample preparation on the study of the microstructure of rubber-reinforced polymers. Casta?o, V. M., Oliva, E., Del-Real,A., Mexia, P., Viquez, S, Rivera, E, and Martinez, E. Polymer Bulletin 32, 693-696 (1994).
6) Transmission electron microscopy of saturated rubber modified polymer systems. Kakugo, M., Sadatoshi, H., Yokoyama, M. Journal of Polymer Sci.: Part C: Polymer Letters, 24, 171-175 (1986).
7) New staining technique for distinction between crystalline and amorphous parts in transmission electron microscopy of
poly(tetrahydrofuran).Ishikawa, S., Ishizu, K., and Fukutomi, T.
8) A novel staining technique for studying toughning mechanisms in saturated acrylic rubber modified polymers. Sue, H.J., Garcia-Meitin, E. I., Burton, B. L., and Garrison, C. C. Journal of Polymer Sci.: Part B: Polymer Physics, 29, 1623-1631 (1991).
9) Ein neues Kontrastierverfahren für die elektronenmikroskopische Untersuchung van s?ure- und estergruppenhaltigen
Polymersystemen. Kanig, G., and Neff, H. Colloid & Polymer Sci. 253, 29-31 (1975).
10)Ein neues Kontrastierungsverfahren für die elektronenmikroskopische Untersuchung der Morphologie von Polyamiden. Weber, G., Kuntze, D., and Stix., W. Colloid & Polymer Sci. 260, 956-958, (1982).
聚合物樣品RuO4染色法
四氧化釕RuO4染色方法,詳見參考文獻1-11,最常引用的文獻是1-5,文章1和5是最重要的。文章1揭示了RuO4與大多數已知聚合物的反應原理,這在處理聚合物混合樣品時非常重要。文章5是第一篇闡述用RuCl3和 NaOCl產栺RuO4蒸汽進行染色的文章,這個方法比直接使用RuO4溶液染色要好得多,因為RuO4蒸汽是現制的。
Polymer Microscopy 這本書的4.4.6節有四氧化釕RuO4染色方法的詳細綜述。
超薄切片之前進行塊染比超薄切片后染色效果更好。
RuO4塊染染色步驟
反應方程式:2RuCl3 · 3H2O + 8NaClO → 2RuO4 + 8NaCl + 3Cl2+ 3H2O
方法:0.2 g RuCl3加 10 ml 5% NaClO溶液,成為工作液。
先用雙面膠把樣品塊粘在一個10mL的玻璃小瓶上部,放入少量RuCl3在瓶子底部,用槍加入雙倍的NaClO,蓋上蓋子,反應會立即開始。將玻璃小瓶放在干燥器里,最好在加NaClO溶液之前就放在干燥器里。干燥器底部放有一定量的1M NaHSO3溶液,用以吸收多余的RuO4蒸汽。染色完畢后,樣品用水沖洗至少1小時,干燥后切片。
染色過程的所有工作應在通風櫥內完成,毒性殘留量未知,把它當作和OsO4一樣有毒,樣品有毒物質殘留0.2 ug/kg(0.2 ppb)。
染色容器如下圖所示:
片染

塊染
染色時間依據樣品和材料的不同而定,文獻中描述的時間從30分鐘到3-4小時。染色過夜,甚至16小時也不會有問題。雖然長時間染色,樣品塊最外面的一些樣品會被破壞,無法切片,但是我們有更厚的一層樣品可供切片,如果染色深度很淺,在對刀修塊過程中,可能把最外面的修掉了,剩下的就是未染色區域,我們又需要重新染色。
這一方法可染色以下材料:聚乙烯,聚丙烯, EPDM(三元乙丙橡膠), 以及他們的混合材料, 聚氨基甲酸乙酯,以及它和多元酯和聚氨基甲酸乙酯等的混合材料等等。
對于橡膠類材料如ABS,Epoxies, HIPS等,或者含有這些材料的混合物,應該先用OsO4蒸汽或者水溶液染色,之后再進行RuO4染色。
聚乙烯,聚丙烯,EPDM(三元乙丙橡膠), 以及他們的混合材料應該在冷凍超薄切片機上進行切片,而不是室溫,低溫切片可以獲得更好的切片以及更好的結果。
有時候染色之后,可以在稍微高一點的溫度進行切片獲得更好的結果(比如,不染色要在-120°C進行切片才能獲得滿意的結果,或許染色之后可以在-100°C/-90°C進行切片,且獲得滿意的結果,當然這個需要經驗,需要不斷的摸條件)
以下是一些常見材料的染色條件:
聚乙烯類材料(LDPE, HDPE, LLDPE等),塊染過夜。
聚丙烯類材料,塊染過夜。
熱塑性聚氨基甲酸乙酯材料,塊染過夜。
聚氨基甲酸乙酯類泡沫,塊染過夜之后包埋。
聚氯乙烯,塊染過夜。
丙烯橡膠,切片染色(數分鐘到半小時)
注:RuO4超薄切片染色
使用碳支持膜或者無支持膜銅網而不是Formvar膜,因為Formv
ar膜本身會被RuO4染色
不要徒手進行操作,因為切片上有毒性殘留
切片后染色,細節結構不如塊染之后冷凍/常溫切片結構好
聚合物RuO4染色法參考文獻:
1) Ruthenium Tetraoxide staining of polymers for electron microscopy. Trent, J.S., Scheinbeim, J.I., and Couchman, P.R.
Macromolecules 1983, 16, 589-598.
2) Transmission electron microscopy of polymers stained with Ruthenium and Osmium Tetraoxide. Trent, J.S., Couchman, P.R., and Scheinmbeim, J.I.Polymer Sci. Tech. 22, 205-213 (1983).
3) Electron microscopy of PS/PMMA and rubber modified polymer blends: Use of Ruthenium Tetraxoide as a new staining agent. Trent, J.S., Scheinbeim, J.I., and Couchman, P.R. Journal of Polymer Science, Polymer Letters 19, 315-319 (1981).
4) Ruthenium tetraoxide as a staining agent for unsaturated and saturated polymers. Vitali, R., and Montani, E. Polymer, 21, 1220-1222 (1980).
5) The use of Ruthenium in Hypochlorite as a stain for polymeric materials. Montezinos, D., Gail Wells, B., and Burns, J.L., Journal of Polymer Science, Polymer Letters 23, 421-425 (1985).
6) Ruthenium tetraoxide staining technique for transmission electron microscopy of segmented block copolyetherester. Chen, S., Cao, T., and Jin, Y. Polymer Communications 28, 314-315 (1987).
7) Elektronenmikroskopische untersuchungen an crazezonen in polypropylen. Lutz, C., and Fischer, G. Betr. Elektronenmikroskop. Direktabb. Oberfl. 20, 173-178 (1987).
8) Lamellar morphologies of melt-crystallized polyethylene, isotactic polypropylene and ethylene- propylene copolymers by the RuO4. Sano, H., Usami, T., and Nakagawa, H. Polymer, 27, 1497-1504 (1986).
9) Ruthenium tetraoxide staining for transmission electron microscopy of polypropylene/EPDM/high density polyethylene blends. Tervoort-Engelen, Y., and Van Gisbergen, J. Polymer Communications, 32, Number 9, 261-263 (1991).
10) A deceptive staining artifact in ultramicrotomed polymer sections. Yetter, W.E. Journal of Electron Microscopy Technique, 19, 382-383 (1991).
11) Ruthenium staining of polybutyene terephtalate (PBT) and polyisobutylene-b-PBT segmented block copolymers. Janik, H., Walch, E., and Gaymans, J. Polymer, 32, 3522-3524 (1992).
應用實例:
High Impact Polystyrene,鋨酸染色
Bob Vastenhout, Dow Benelux B.V., The Netherlands
Blend of polyethylene,釕酸染色
Bob Vastenhout, Dow Benelux B.V., The Netherlands
Blend of POM+ABS+TPU
Bob Vastenhout, Dow Benelux B.V., The Netherlands
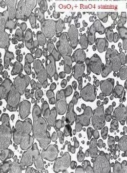
Blend of Polycarbonate + ABS,鋨酸+釕酸染色
Bob Vastenhout, Dow Benelux B.V., The Netherlands
染色不好,也會產生假象



